






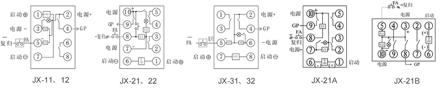
| 型號 | 啟動類型 | 啟動值 | 可替代型號 |
| JX-11 | 電壓型 | DC48V、DC110V、DC220V | DX11、DX11A |
| JX-12 | 電流型 | 0.01A~2A | DX11、DX11A |
| JX-21 | 電壓型 | DC48V、DC110V、DC220V | DX8 |
| JX-22 | 電流型 | 0.01A~2A | DX8 |
| JX-31 | 電壓型 | DC48V、DC110V、DC220V | DX31A、DX31B |
| JX-32 | 電流型 | 0.01A~2A | DX31A、DX31B |
| JX-21A | 電壓型 | DC48V、DC110V、DC220V | DX8 |
| JX-21B | 電壓型 | DC48V、DC110V、DC220V | DX8 |

| 額定參數 | |
| 電壓型啟動值 | DC48V、110V、220V可選 |
| 電流型啟動值 | 0.01A~2A |
| 功耗 | ≤5W |
| 絕緣性能 | |
| 絕緣電阻 | 繼電器外殼與外露帶電端子之間用開路電壓500V的兆歐表測量,絕緣電阻不小于10MΩ |
| 絕緣耐壓 | 繼電器外殼與外露帶電端子之間能耐受2KV(有效值)50Hz試驗電壓,歷時1分鐘,無擊穿或閃絡現象 |
| 環境條件 | |
| 環境溫度 | -15℃~55℃ |
| 工作電壓 | 不大于120%額定電壓 |
| 工作位置 | 任意 |
| 周圍磁場強度 | 小于0.5mT |
| 環境相對濕度 | 不大于90% |
| 大氣壓力 | 80~110KPa |
| 溫度 | -25℃~+70℃ |
| 海拔高度 | 不大于2500 米 |




