









產品型號:JS-104SC高精度時間繼電器
額定電壓:DC110,220V(如需交流需特殊注明)
觸點形式:雙延時(二付動合觸點二付轉換觸點)
殼體形式:JK-11H,JK-11Q(前,后接線可選)
| 產品型號 | 延時范圍 | 電源種類 | 觸點類型 |
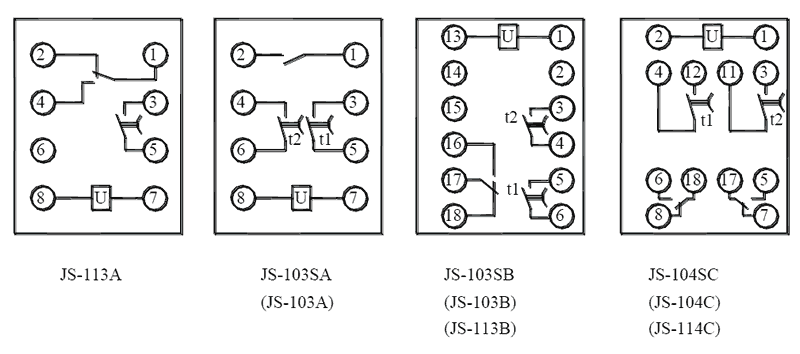
| JS-113A | 0.02~9.99S、0.1~99.9S | DC110V、DC220V | 單延時,即一付可調整延時動合觸點,一付瞬動轉換觸點。 |
| JS-103A | 雙延時,即二付可調整延時動合觸點。 | ||
| JS-103SA | 雙延時,即二付可調整延時動合觸點,一付瞬時動合觸點。 | ||
| JS-113B | 單延時,即一付可調整延時動合觸點,一付瞬動轉換觸點。 | ||
| JS-103B | 雙延時,即二付可調整延時動合觸點。 | ||
| JS-103SB | 雙延時,即二付可調整延時動合觸點,一付瞬動轉換觸點。 | ||
| JS-114C | 單延時,即一付可調整延時動合觸點,一付瞬動轉換觸點。 | ||
| JS-104C | 雙延時,即二付可調整延時動合觸點。 | ||
| JS-104SC | 雙延時,即二付可調整延時動合觸點,二付瞬動轉換觸點。 |

| 額定電壓 | DC11V、DC220V |
| 動作電壓 | 不大于70%的額定電壓 |
| 延時范圍 | 0.02~9.99s或0.1~99.9s |
| 延時整定誤差 | 在基準條件下不大于±(0.1%整定值+10ms) |
| 功率消耗 | 在DC220V不大于7W,DC110V不大于3.5W |
| 觸點容量 | DC ≤250V,I≤3A(τ=5±0.75ms)為50W |







