





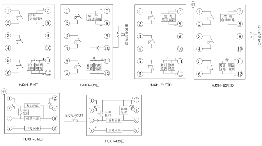
| 型號 | 復歸方式 | 動作信號 | 額定值 |
| HJXH-61/U | 手動復歸 | 直流電壓信號 | DC24V、48V、110V、220V |
| HJXH-61/I | 手動復歸 | 直流電流信號 | 10mA~4A |
| HJXH-62/U | 手動復歸或遠方復歸 | 直流電壓信號 | DC24V、48V、110V、220V |
| HJXH-62/I | 手動復歸或遠方復歸 | 直流電流信號 | 10mA~4A |
| HJXH-E1/U | 手動復歸 | 直流電壓信號 | DC24V、48V、110V、220V |
| HJXH-E1/I | 手動復歸 | 直流電流信號 | 10mA~4A |
| HJXH-E2/U | 手動復歸或遠方復歸 | 直流電壓信號 | DC24V、48V、110V、220V |
| HJXH-E2/I | 手動復歸或遠方復歸 | 直流電流信號 | 10mA~4A |
| HJXH-E1/UD | 手動復歸 | 直流電壓信號 | DC24V、48V、110V、220V |
| HJXH-E1/ID | 手動復歸 | 直流電流信號 | 10mA~4A |
| HJXH-E2/UD | 手動復歸或遠方復歸 | 直流電壓信號 | DC24V、48V、110V、220V |
| HJXH-E2/ID | 手動復歸或遠方復歸 | 直流電流信號 | 10mA~4A |

| 額定參數 | |
| 啟動方式 | 直流電壓、直流電流 |
| 電壓型啟動值 | DC24V、48V、110V、220V可選 |
| 電流型啟動值 | 10mA~4A通用范圍 |
| 輔助電源電壓 | AC/DC:110V、220V |
| 復歸值 | 90%輔助電源電壓 |
| 動作時間 | ≤15ms |
| 電流型功耗 | 接通期間<3W |
| 電壓型功耗 | 接通期間<1W |
| 絕緣性能 | |
| 絕緣電阻 | 繼電器外殼與外露帶電端子之間用開路電壓500V的兆歐表測量,絕緣電阻不小于10MΩ |
| 絕緣耐壓 | 繼電器外殼與外露帶電端子之間能耐受2KV(有效值)50Hz試驗電壓,歷時1分鐘,無擊穿或閃絡現象 |
| 環境條件 | |
| 環境溫度 | -15℃~55℃ |
| 工作電壓 | 不大于120%額定電壓 |
| 工作位置 | 任意 |
| 周圍磁場強度 | 小于0.5mT |
| 環境相對濕度 | 不大于90% |
| 大氣壓力 | 80~110KPa |
| 溫度 | -25℃~+70℃ |
| 海拔高度 | 不大于2500 米 |




