



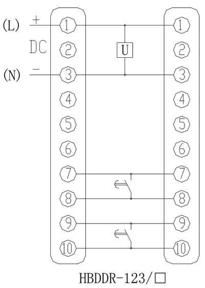
產品型號:HBDDR-123/4端子排時間繼電器
工作電壓:AC220V
觸點形式:2常開
安裝方式:導軌安裝

時間繼電器邏輯電路由IC模塊構成,使用晶振經分頻、可編程減法計數達到延時。時間整定靠改變可編程計數器預置端的狀態達到,用撥輪開關進行時間整定。為克服出口繼電器固有動作時間而造成的動作時間誤差,設置了補償回路,大大減少了整定時間與實際動作時間的誤差。

| 型號 | 觸點類型 | 工作電壓 | 延時時間 | 返回時間 |
| HBDDR-123/1 | 2常開 | DC:110V | 20mS~10S(級差10mS) | <20mS |
| HBDDR-123/2 | 2常開 | DC:220V | 20mS~10S(級差10mS) | <20mS |
| HBDDR-123/3 | 2常開 | DC:48V | 20mS~10S(級差10mS) | <20mS |
| HBDDR-123/4 | 2常開 | AC:220V | 20mS~10S(級差10mS) | <20mS |
| HBDDR-123/5 | 2常開 | AC:240V | 20mS~10S(級差10mS) | <20mS |
| HBDDR-123/6 | 2常開 | AC:380V | 20mS~10S(級差10mS) | <20mS |

| 額定參數 | |
| 直流額定電壓 | 48V、110V、220V可選 |
| 交流額定電壓 | 220V、240V、380V可選 |
| 直流動作電壓 | ≤70%額定電壓 |
| 交流動作電壓 | ≤75%額定電壓 |
| 電壓波動范圍 | 0.8~1.15額定值 |
| 延時時間 | 20mS~10S(級差10mS) |
| 返回時間 | <20mS |
| 功耗 | ≤5W |
| 絕緣性能 | |
| 絕緣電阻 | 繼電器外殼與外露帶電端子之間用開路電壓500V的兆歐表測量,絕緣電阻不小于10MΩ |
| 絕緣耐壓 | 繼電器外殼與外露帶電端子之間能耐受2KV(有效值)50Hz試驗電壓,歷時1分鐘,無擊穿或閃絡現象 |
| 環境條件 | |
| 環境溫度 | -15℃~55℃ |
| 工作電壓 | 不大于120%額定電壓 |
| 工作位置 | 任意 |
| 周圍磁場強度 | 小于0.5mT |
| 環境相對濕度 | 不大于90% |
| 大氣壓力 | 80~110KPa |
| 溫度 | -25℃~+70℃ |
| 海拔高度 | 不大于2500 米 |








