



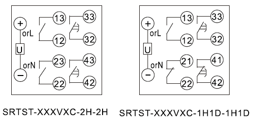
產品型號:SRTST-110VDC-1H1D-1H1D-A時間繼電器
延時類型:通電延時帶瞬動繼電器
延時觸點:1常開1常閉
瞬動觸點:1常開1常閉
額定電壓:DC110V

| 延時代碼 | A | B | C | D |
| 延時范圍 | 0.3秒~3分鐘 | 0.3秒~6分鐘 | 0.5秒~30分鐘 | 1秒~60分鐘 |

| 額定參數 | |
| 直流額定電壓 | 24V、110V、220V可選 |
| 交流額定電壓 | 110V、220V可選 |
| 直流動作電壓 | ≤70%額定電壓 |
| 交流動作電壓 | ≤75%額定電壓 |
| 延時范圍 | 0.3秒~3分、0.3秒~6分、0.5秒~30分、1秒~60分 |
| 延時精度 | ±10%(較大延時整定值<1秒時) |
| 返回時間 | ≤20mS |
| 功耗 | ≤5W |
| 安裝方式及接線 | |
| 安裝結構 | 導軌安裝 |
| 接線方式 | 端子排接線 |
| 絕緣性能 | |
| 絕緣電阻 | 繼電器外殼與外露帶電端子之間用開路電壓500V的兆歐表測量,絕緣電阻不小于10MΩ |
| 絕緣耐壓 | 繼電器外殼與外露帶電端子之間能耐受2KV(有效值)50Hz試驗電壓,歷時1分鐘,無擊穿或閃絡現象 |
| 環境條件 | |
| 環境溫度 | -15℃~55℃ |
| 工作電壓 | 不大于120%額定電壓 |
| 工作位置 | 任意 |
| 周圍磁場強度 | 小于0.5mT |
| 環境相對濕度 | 不大于90% |
| 大氣壓力 | 80~110KPa |
| 溫度 | -25℃~+70℃ |
| 海拔高度 | 不大于2500 米 |




