











型號:DZ-3Z/3;
觸點形式:6動合2動斷;
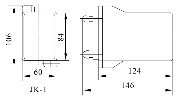
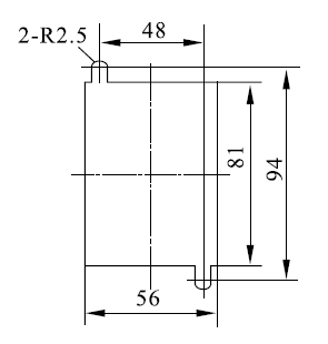
殼體形式:JK-1殼體(板前板后可選);
可選用RZ系列導軌式集成電路中間繼電器
1、技術參數圖如下所示:

2、動合觸點較大8個,動斷觸點較大8個
3、繼電器額定電壓為24V\、48V、110V、220V可選
4、繼電器的動作時間不大于60ms。
5、功率消耗:在額定電壓下不大于4W。
6、觸點的較大流通能力在交流或直流220V下為15A。
7、觸點長期允許通過電流為5A。
8、中間繼電器電壽命為5×103次。
9、繼電器機械壽命為2.5×104次。



