









型號:RGL-12靜態反時限過流繼電器;
觸點形式:一動合;
輔助電源:不需輔助電源;
電流整定范圍:2-20A
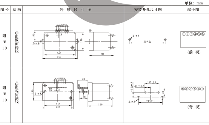
安裝方式:凸出式板前,凸出式板后可選;
●RGL-12靜態反時限過流繼電器( 以下簡稱繼電器 )具有反時限特性,用于發電機、變壓器及 輸配電系統的繼電器保護裝置中。在設備過負荷或短路時,能按預定的時限可靠動作,發出信號或切除故障部分。
●本繼電器為集成電路靜態型繼電器,采用數碼開關整定電流值,直觀方便,改變整定值無須檢驗,整定范圍為2-20A級差為0.1A;精度高、功耗小、動作時間快、返回系數高,是GL-型過流繼電器理想的更新換代產品。
●本繼電器執行電力行業標準DL478-2001《靜態繼電器保護及安全自動裝置通用技術條件》;機械行業標準JB3346-83《反時限過流繼電器技術條件》。




●環境溫度:-10℃~+50℃;
●相對濕度:不大于90%;
●大氣壓力:86kPa~106kPa;
●使用地點不出現超過GB/T14537規定的嚴酷等級為1級的振動;
●周圍環境:不允許有陽光直射、雨和水的沖洗,無爆炸危險的介質,不應含有能腐蝕金屬、破壞絕緣和表面涂覆層的介質及導電介質,不允許有明顯的水氣,不允許有嚴重的霉菌存在。
●無輔助電源產品測試應注意方法:當用變壓器作為電流源時, 要求變壓器的次級匝數與電流互感器的次級匝數相當,否則就會由于阻抗不匹配而產生較大的誤差,測試速動的動作速度時,若采用電流通斷法進行測量,由繼電器內部工作電源需要一定的建立時間,會產生較大的誤差,而在正常工作時,由于工作電源是存生的,速度會快得多。同理,在用通斷法測量延時時間時,也會產品誤差。
●無輔助電源產品的動作指示:當繼電器的速斷出口和延時出口后,繼電器面板上的動作指示燈會保持動作記錄;在繼電器動作返回后,動作指示燈需手動復歸。