









產品型號: DS-34C 電磁式時間繼電器 。
延時范圍:2-20S。
殼體安裝方式:嵌入式板后接線、JK-11H凸出式板后接線、JK-11Q板前接線。
額定電壓:DC220V、DC110V、DC48V、DC24V。
觸點:兩付瞬時轉換觸點,一付延時主觸點(終止觸點)。
產品特性:繼電器是帶有延時機構的螺管線圈式繼電器,具有交流和直流規格。
繼電器采用JK-11K、H、Q殼體,其外形尺寸、背后端子圖、安裝開孔尺寸見附錄。背后端子接線圖.
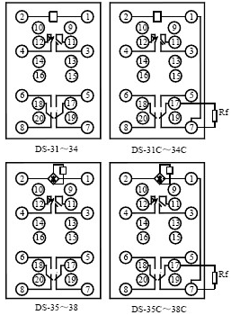
見圖1

長期工作制繼電器的外附電阻Rf 型號見表3

外形及安裝尺寸見圖2

繼電器是帶有延時機構的螺管線圈式繼電器,具有交流和直流規格。繼電器的交流規格繼電器內部裝有橋式整流器,將交流電源整流后供給電磁機構,每臺繼電器具有兩副瞬時轉換觸點,一副滑動延時觸點,一副延時主觸點。當加電壓于線圈兩端時,唧子(鐵心)克服塔形彈簧的反作用力被吸入,瞬時轉換觸點進行瞬時轉換,同時延時機構啟動,經過一定的延時,然后閉合滑動延時觸點和延時主觸點。主觸點接觸后由于上擋限制機構的轉動,機構停止,從而得到所需延時。當線圈斷電時,在塔形彈簧的作用下,使唧子和延時機構返回原位。
1.繼電器主要技術數據列于表1中

2.在基準條件下,直流繼電器的動作電壓為不大于70%額定電壓,帶“C”的直流繼電器的動作電壓為不大于75%額定電壓;交流繼電器的動作電壓為不大于85%額定電壓。
3.在基準條件下,繼電器的返回電壓為不小于5%額定電壓。
4.繼電器主觸點延時一致性見表2(20±5℃下,同一整定點測量10次動作中,較大與較小之差)。
表 2.

5.連續耐熱值
當周圍介質溫度為40℃時,短期工作制繼電器的線圈應能承受110%額定電壓值,歷時2min,其溫升應不超過65℃;長期工作制繼電器的線圈,應能長期承受110%額定電壓值,其溫升應不超過65℃。
6.額定電壓下的功率消耗
DS—31~34 不大于25W。
DS—31C~34C 不大于15W。
DS—35~38 不大于25VA。
DS—35C~38C 不大于15VA。
7.介質強度
繼電器各導電電路連在一起與外露的非帶電金屬部分及外殼之間,能承受2kV(有效值),50Hz的交流電壓歷時1min試驗,耐無絕緣擊穿或閃絡現象。
8.觸點斷開容量
直流有感(τ=5ms)回路,U≤250V,I≤1A為,50W;在交流(cosФ=0.4)回路,U≤250V,I≤1A,為250VA。
9.電壽命5×103次,機械壽命104次。
10.繼電器的重量:約1kg。
