











● 型號參數如下所示:

● 額定電壓:AC 220V、110V、48V、24V、 DC 220V、110V、48V、24V。
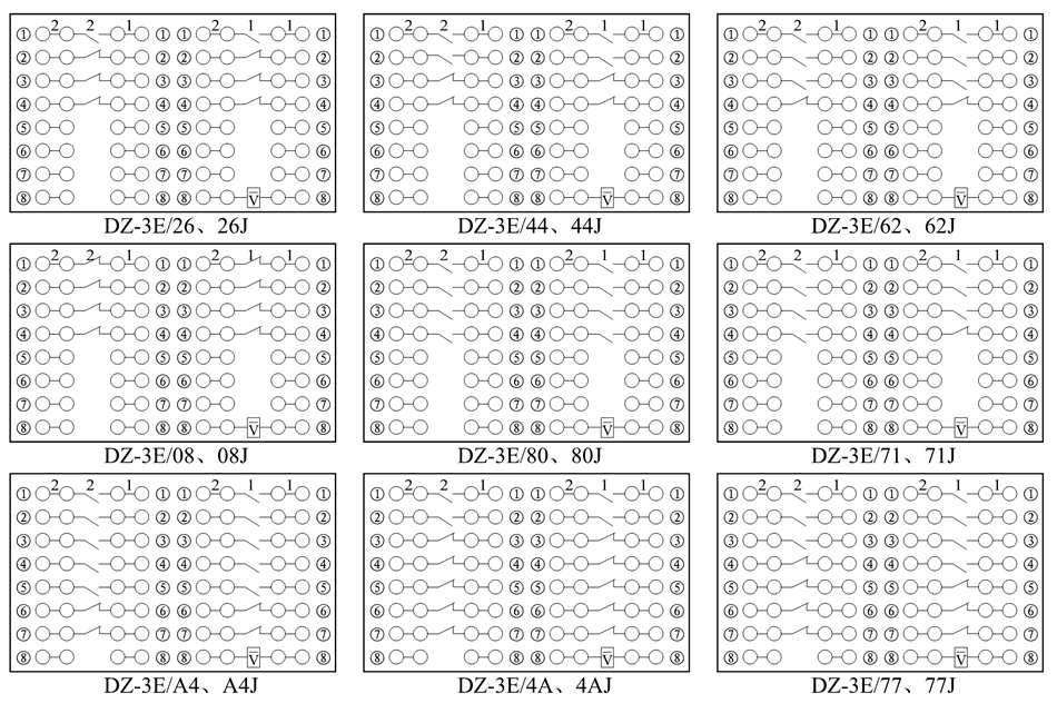
● 接點形式:8閉、6閉2開、4閉4開、2閉6開、8開、7閉1開、10閉4動 斷、4閉10開、7閉7開。
● 動作值:直流繼電器動作電壓不大于70%額定電壓、交流繼電器動作電壓不大于85%額定電壓。
● 動作時間:不大于50ms。
● 功率消耗:不大于11W。
● 觸點容量:在電壓不超過250V,電流不超過5A,時間常數為5±0.75ms的直流有感負荷電路中,產品輸出觸點的斷開容量為50W。
●輸出觸點長期允許接通電流為5A。
● 介質強度:產品各導電端子連在一起,對外露的非帶電金屬部分或外殼之間,能承受2000V(有效值)50Hz的交流電壓 歷時1分鐘試驗而無絕緣擊穿或閃絡現象。

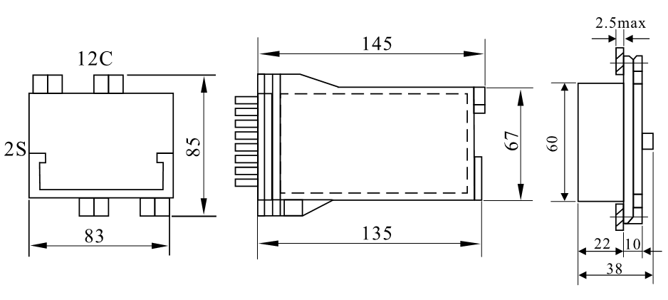
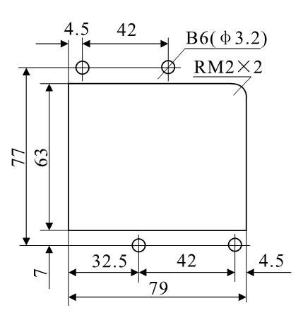
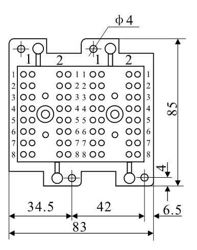
采用凸出式板后接線方式


